Is é comhla seiceála aiseach an réiteach is fearr le haghaidh feidhmeanna criticiúla neamh-fhillte mar chosaint trealaimh agus córais rothlach ina bhfuil caillteanas brú íseal, oibriú cobhsaí agus iompar dinimiciúil riachtanach.
Is céim shuntasach i nuálaíocht é an dearadh seiceála neamh-slam neamh-slam maidir le comhlaí seiceála. Is é an príomh -dhifreáil ná a méid agus a roghnú, ag cur an chomhla aonair do pharaiméadair phróisis an iarratais in oiriúint. Tá difríocht shuntasach idir an fhealsúnacht seo agus an norm caighdeánach chun comhlaí seiceála a roghnú bunaithe ar mhéid a bpíobáin. Arna thiomáint ag ceanglas an tionscail chun maolú borrtha a chinntiú, is réiteach comhla seiceála neamh -chomhoiriúnaithe iad comhlaí seiceála aiseach.
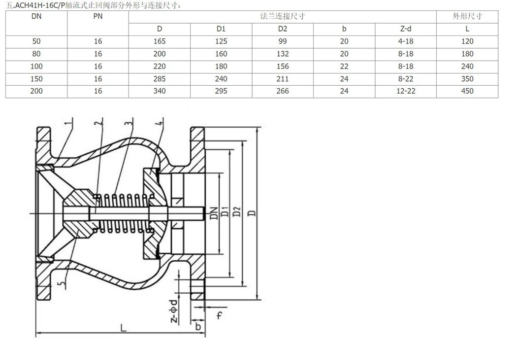
Paraiméadair táirge
Trastomhas Gnáth: 2 - 48 orlach (dn 50 - dn1200)
Raon brú: aicme 150 - 2500 lb
Ceangal Deiridh: RF, RTJ
Teocht Oibre: {-29 Céim ~ {+400 Céim
Ábhar: cruach charbóin, cruach dhosmálta, cruach chóimhiotail, cré -umha alúmanaim, TI
Dearadh agus Déantúsaíocht: API 594
Fad Struchtúrach: API 594
Ceangal: ASME B16.5, ASME B16.47
Tástáil agus Cigireacht: API 598



Modh oibríochta:
Nuair a sháraíonn difreálach brú idir an taobh in aghaidh srutha agus an taobh le sruth den chomhla brú scáineadh an earraigh, bogfaidh agus ceadaíonn an obturator sreabhadh. Laghdaíonn achar sreafa an chomhla go seasta síos go dtí trastomhas an tsíocháin; Is é seo an dearadh Venturi.
Mar thoradh ar dhearadh Venturi, méadaíonn an t -achar sreafa laghdaithe an brú cinéiteach agus laghdaíonn sé an brú statach a cheadaíonn don chomhla a oscailt go hiomlán go tapa. Roghnaítear an t -earrach ionas go mbeidh an diosca oscailte agus cobhsaí i gcoinne a chúlra faoi ghnáthchoinníollacha sreafa.
Nuair a tharlaíonn laghdú suntasach ar an sreabhadh, imoibríonn an t -earrach go luath i gcoinne fhórsa an tsreafa laghdaithe.


Clibeanna Te: Comhla seiceála sreafa aiseach, seiceáil comhla





